插装阀
-
液压原理图型号描述插孔流量压力
-
二位三通电磁阀 锥阀型
08-3
20lpm
350Bar
-
二位三通电磁阀 锥阀型 专利号:201120144683.X
10-3
25lpm
250Bar
-
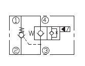
二位四通电磁阀滑阀型
08-4
11.4lpm
207Bar
-
二位四通电磁阀滑阀型
10-4
22.7lpm
207Bar
-
二位四通电磁阀滑阀型
HYDAC 08140
20lpm
350Bar
-
二位四通电磁阀常闭型
08-4
11.4lpm
207Bar
-
二位四通电磁阀滑阀型
08-4
11.4lpm
207Bar
-
电控液压锁 发明专利:201110204290.8
08-4
19lpm
207Bar
-
液压原理图型号描述插孔流量压力








