插装阀
-
液压原理图型号描述插孔流量压力
-
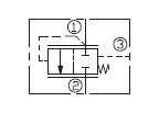
常开调节单元
SUN T-11A
60lpm
350Bar
-
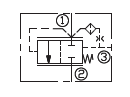
外控逻辑阀
16-S3
200lpm
350Bar
-
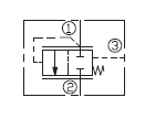
外控逻辑阀
16-S3
200lpm
350Bar
-
外控逻辑阀
16-S3
189lpm
290Bar
-
外控逻辑阀
20-S3
300lpm
290Bar
-
直动座阀式溢流阀
Rexroth R/DBD.4K
20lpm
500Bar
-
直动座阀式溢流阀
08M-2
30lpm
350Bar
-
直动座阀式溢流阀
Rexroth - DBD -10K
120lpm
400Bar
-
液压原理图型号描述插孔流量压力








