展开全部
收起全部
-
技术特性
工作:
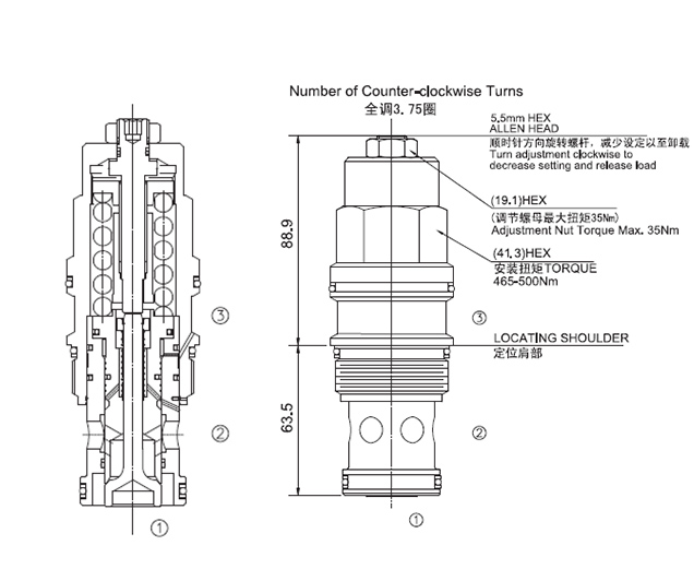
带先导开启平衡阀用于控制超越负载工况。油液从②口到①口单向自由流动;油液经直动,先导辅助从①口溢流到②口,③口是溢流辅助控制口,按控制比降低溢流功能的有效设定值。
特性:
1、最大设定压力至少为最大负载压力的1.3 倍。
2、②口的背压按“控制比+1”的倍数加到溢流阀的设定值上即增加值=(1+ 控制比)× 压力值。
3、标准设定时, 闭合压力值大于设定压力值的85%;低于标准设定, 则闭合压力值的百分比相应降低。
4、工厂的设定是指当溢流阀开启(流量为30cc/min)时的压力。
-
技术曲线

-
技术参数
流量请查看《压力-流量曲线图》插孔SUN T-19A过滤参考《油液清洁度》最大设定值350 bar最大负载270 bar内泄漏5 drops/min(滴/分).控制比10: 1温度-40°F to +250°F(-40°C to +120°C)油液Mineral-based fluids with viscosities of 7.4 to 420 cSt.(矿物油粘度)阀块材料6061-T6铝,允许使用最大压力207bar 钢和球铁允许使用最大压力350bar -
文件下载
PDF文件 -
相关辅件












