展开全部
收起全部
-
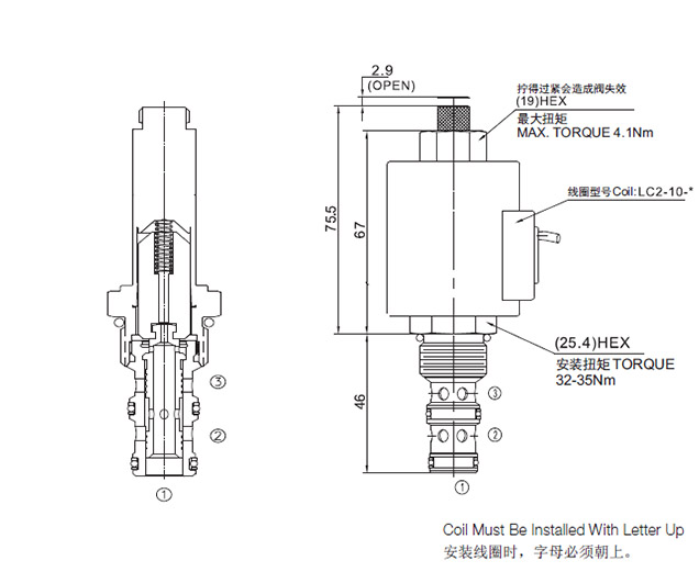
技术特性
工作:
失电时,②和①通,与③不通;得电时,①和③通,与②不通。
手控应急:
请按下按钮,再逆时针方向旋转180°,后松开,①和③通,与②不通;请按下按钮,
再顺时针方向旋转180°,后松开,返回常态。
-
技术曲线

-
技术参数
工作压力207Bar流量请查看《压力-流量曲线图》插孔10-3内泄漏(per land)82cc/min.(毫升/分) max. at 207bar温度-40°F to +212°F(-40°C to +100°C)线圈额定负载Continuous from 85% to 115% of nominal voltage(连续工作电压)油液Mineral-based fluids with viscosities of 7.4 to 420 cSt.(矿物油粘度)阀块材料6061-T6铝,允许使用最大压力207bar 钢和球铁允许使用最大压力350bar -
文件下载
PDF文件 -
相关辅件












