展开全部
收起全部
-
技术特性
工作:
双向平衡阀对流入和流出执行机构的油液进行动静态负载控制。这个阀组分两个部分, 每个部分包含一个单向阀和一个由
对面油路先导控制的溢流阀;单向阀允许油液自由进入执行机构, 反向关闭;通过作用于对面油路的先导压力, 使得溢流
阀的压力设定按照液控比降低, 直至溢流阀开启, 从而允许油液反向流动。作用于VI 或V2 的背压叠加到溢流阀的设定值上。
-
技术曲线

-
技术参数
流量请查看《压力-流量曲线图》
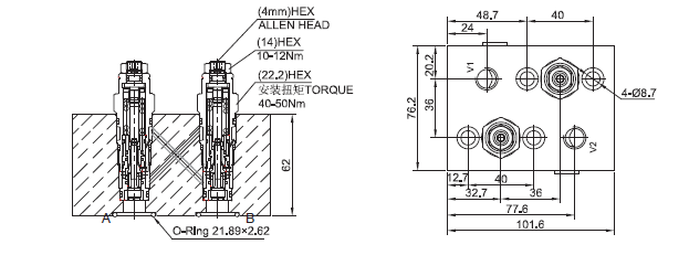
插孔SUN T-11A过滤参考《油液清洁度》阀体类型马达集成式阀组(Motor mount).接口类型丹佛斯OMP(Danfoss OMP).阀体特点对口先导(Cross pilot).油口尺寸V1,V2: 1/4" NPT.内泄漏5 drops/min(滴/分). at nominal pressure温度-40°F to +250°F(-40°C to +120°C)油液Mineral-based fluids with viscosities of 7.4 to 420 cSt.(矿物油粘度)阀块材料6061-T6铝,允许使用最大压力207bar 钢和球铁允许使用最大压力350bar -
文件下载
PDF文件 -
相关辅件











