展开全部
收起全部
-
技术特性
工作:
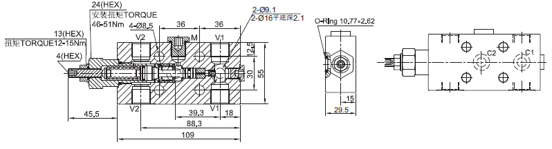
当V2 口压力升高超过单向阀开启压力时, 单向阀V2 口到C2 口开启。当负载C2 口压力升高超过弹簧的设定值,C2 口到
V2 口溢流过载。当先导V1 口压力升高,使得溢流阀的压力设定按照液控比降低, 直至完全开启, 油液从C2 口到V2 口自
由流动。弹簧腔与V2 口连通, V2 口背压叠加到阀的压力设定值上。
-
技术曲线

-
技术参数
流量请查看《压力-流量曲线图》过滤参考《油液清洁度》最大工作压力350Bar内泄漏5 drops/min(滴/分). max. at nominal pressure控制比4.2:1温度-40°F to +250°F(-40°C to +120°C)油液Mineral-based fluids with viscosities of 7.4 to 420 cSt.(矿物油粘度)阀块材料钢和球铁允许使用最大压力350bar
-
文件下载
PDF文件 -
相关辅件











