展开全部
收起全部
-
技术特性
工作:
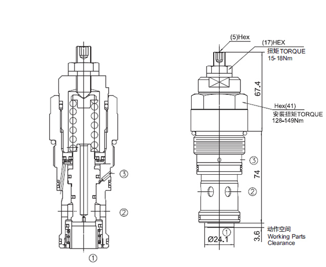
带先导开启平衡阀用于控制超越负载工况。油液从②口到①口单向自由流动;油液经直动,先导辅助从①口溢流到②口,③口是溢流辅助控制口,按控制比降低溢流功能的有效设定值。
特性:
1、最大设定压力至少为最大负载压力的1.3 倍。
2、工厂的设定是指当溢流阀开启(流量为5l/min)时的压力。
-
技术曲线

-
技术参数
流量请查看《压力-流量曲线图》插孔20-S3过滤参考《油液清洁度》最大设定值350 bar最大负载270 bar负载保持压力350 bar单向阀开启压力0.8 bar内泄漏5 -10 drops/min(滴/分). at 80% of pressure setting(max. 40 drops/min.)控制比10=8:1; 03=4:1温度-40°F to +250°F(-40°C to +120°C)油液Mineral-based fluids with viscosities of 7.4 to 420 cSt.(矿物油粘度)阀块材料钢和球铁允许使用最大压力350Bar -
文件下载
PDF文件 -
相关辅件












