展开全部
收起全部
-
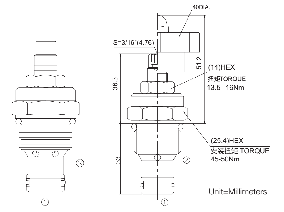
技术特性
工作:
不管负载压力如何变化,从①到②口的流量都能保持在一定的范围内。当油通过固定
节流孔时,引起极小的压力差, 阀芯开始响应负载变化,通过压力补偿,可维持精确
的流量。油液从②到①反方向流动,没有压力补偿。
-
技术曲线

-
技术参数
工作压力350Bar流量请查看《压力-流量曲线图》插孔10-2过滤参考《油液清洁度》流量设定0.8-34 l/min.流量控制精度±10%温度-40°F to +250°F(-40°C to +120°C)油液Mineral-based fluids with viscosities of 7.4 to 420 cSt.(矿物油粘度)阀块材料钢和球铁允许使用最大压力350Bar -
文件下载
PDF文件 -
相关辅件












