展开全部
收起全部
-
技术特性
工作:
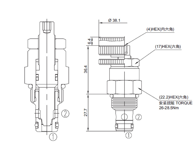
节流阀流量大小或关闭可通过调节螺杆来实现。
-
技术曲线

-
技术参数
工作压力250Bar流量请查看《压力-流量曲线图》插孔08-2过滤参考《油液清洁度》内泄漏3 drops/min(滴/分). max. at 250 bar温度-40°F to +250°F(-40°C to +120°C)油液Mineral-based fluids with viscosities of 7.4 to 420 cSt.(矿物油粘度)阀块材料6061-T6铝,允许使用最大压力207bar 钢和球铁允许使用最大压力350bar -
文件下载
PDF文件 -
相关辅件












