展开全部
收起全部
-
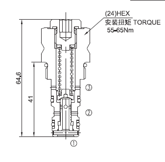
技术特性
工作:
在①口的压力达到弹簧设定的压力时,从②到①减压。弹簧腔内排到③口。
当①口的压力超过预设定的压力10bar 以上时,②口渐渐关闭,①到③开始溢流。
-
技术曲线

-
技术参数
流量请查看《压力-流量曲线图》插孔Rexroth-R/LA
过滤参考《油液清洁度》最大工作压力420Bar内泄漏50cc/min(毫升/分) max at 300bar温度-40°F to +250°F(-40°C to +120°C)油液Mineral-based fluids with viscosities of 7.4 to 420 cSt.(矿物油粘度)阀块材料钢和球铁允许使用最大压力350bar -
文件下载
PDF文件 -
相关辅件












