展开全部
收起全部
-
技术特性
工作:
直动式先导溢流阀用于远程控制其他先导式主阀的压力设定控制。由于额定流量的限
制,此阀应在匹配的先导流量下与其他主阀一起使用;②口背压会按1:1 叠加到阀的
设定压力上。
-
技术曲线

-
技术参数
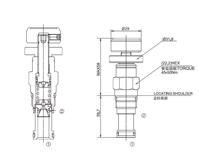
流量请查看《压力-流量曲线图》插孔SUN T-10A过滤参考《油液清洁度》最大工作压力350Bar内泄漏2 drops/min(滴/分).响应时间2 ms弹簧调压范围A:25psi (1.7 bar) to 3000psi(210 bar), preset预设定:1000psi(70 bar)
B:25psi (1.7 bar) to 1500psi(105 bar), preset预设定:1000psi(70 bar)
C:25psi (1.7 bar) to 6000psi(420 bar), preset预设定:1000psi(70 bar)
D:25psi (1.7 bar) to 800psi(55 bar), preset预设定: 400psi(28 bar)
E:25psi (1.7 bar) to 400psi(28 bar), preset预设定: 200psi(14 bar)
W:25psi (1.7 bar) to 4500psi(315 bar), preset预设定:1000psi(70 bar)
温度-40°F to +250°F(-40°C to +120°C)油液Mineral-based fluids with viscosities of 7.4 to 420 cSt.(矿物油粘度)阀块材料钢和球铁允许使用最大压力350bar -
文件下载
PDF文件 -
相关辅件












